Вир-во Білорусь, р. Борисов; Пр-во Білорусь, Двигун ММЗ-Д260.5,Д260.7,Д265 і мод. 24В, 8,2 кВт 460х230х130 Z=10
Стартер МАЗ,ІКАРУС з дв.ММЗ-Д260.5,Д260.7,Д265 24В 3002.3708000
1 2 >
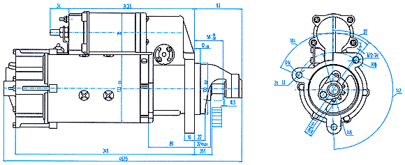
Характеристики: Стартер МАЗ,ІКАРУС з дв.ММЗ-Д260.5,Д260.7,Д265 24В
| Артикул 3002.3708000 Артикул дод. 3002.3708000 | Каталожна група Електрообладнання ..Електрообладнання Вага, кг 23.5 |
Додатковий опис
Стартер 3002.3708 предназначен для запуска двигателей Д-265, Д-265.5, Д-260.7 автомобилей, автобусов и сельхозмашин ГАЗ-3306, ГАЗ-3309, ГАЗ-66-40, ГАЗ-66-41 и их модификаций, которые эксплуатируются в районах с умеренным, холодным и тропическим климатом, а также в запасные части к ним.
Стартер представляет собой электродвигатель постоянного тока с последовательным возбуждением, с электромагнитным реле и механизмом привода. Стартер питается от аккумуляторной батареи емкостью 110-190 А·ч. Режим работы стартера кратковременный длительностью не более 15 с, при отрицательных температурах - 20 с.
Стартер предназначен для работы при температуре окружающего воздуха от минус 40°C до плюс 70°C, предельных значениях температур от минус 40°C до плюс 80°C, относительной влажности воздуха до 98% при температуре плюс 35°C, пониженном атмосферном давлении 460 мм рт. ст.
Технические характеристики
| Номинальное напряжение, В: | 24 |
| Емкость аккум. батареи, А·ч: | 110 |
| Номинальная мощность, кВт: | 7,7 |
| Направление вращения: | правое |
| Масса стартера, кг: | 23,1 |
| Потребляемый ток тягового реле | |
| втягивающей обмотки, А: | 26 |
| удерживающей обмотки, А: | 12.5 |
| Шестерня привода | |
| Количество зубьев: | 10 |
| Модуль, мм: | 3.75 |
| Угол исходного контура, град: | 20 |
Використана інформація: ВАТ «БАТЕ»
Вживаність
| Марка | Модель | Найменування за автокаталогу | Креслення |
| ГАЗ | ГАЗ 3306 | Стартер 3002.3708 | Електроустаткування / Електрообладнання |
| ГАЗ | ГАЗ 3309 | Стартер 3002.3708 | Електроустаткування / Електрообладнання |
| ГАЗ | ГАЗ 4301 | Стартер 3002.3708 | Електроустаткування / Електрообладнання |
Вир-во Білорусь, р. Борисов; Двигун ММЗ-Д260.5,Д260.7,Д265 і мод. 24В, 8,2 кВт 460х230х130 Z=10
| Основні | |
|---|---|
| Виробник | МАЗ |
| Країна виробник | Білорусь |
- Ціна: 19 800 ₴

