24В 8,2 кВт для комб. "Нива" Для запуску дизельних двигунів СМД-15Н 08/09, СМД-17, СМД - 21 та модиф. Аналог СТ100 24 В
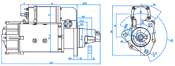
Стартер СМД-15,17,21 привід 2502.3708600 11 зубів 24В 8.2 кВт БАТЕ
3202.3708000
1 2 >
Характеристики: Стартер СМД-15,17,21 привід 2502.3708600 11 зубів 24В 8.2 кВт БАТЕ
| Артикул 3202.3708000 Артикул дод. 3202.3708000 Каталожна група Електрообладнання ..Електрообладнання | Торгова марка БАТЕ Вага, кг 9.7 |
Додатковий опис
Стартер 3202.3708 призначений для запуску дизельних двигунів СМД-15Н 08/09, СМД-17, СМД-21 і їх модифікацій, що експлуатуються в районах з помірним, холодним і тропічним кліматом, в тому числі дизелів, призначених для поставки на експорт і запасні частини до них.
Режим роботи стартера короткочасний тривалістю до 10 с. Максимальна тривалість безперервної роботи стартера при негативних температурах - 20 с. Працездатність стартера зберігається при температурі мінус 60°C. Стартер призначений для роботи в однопровідній схемі електрообладнання. Стартер живиться від акумуляторної батареї ємністю 190 А·год Стартер відноситься до ремонтованих, що обслуговуються виробів.
Стартер поставляється в запчастини для комбайнів «НИВА» виробництва ВАТ «РОСТСІЛЬМАШ» р. Ростов-на-Дону.
Технічні характеристики
| Номінальна напруга, В: | 24 |
| Ємність аккум. батареї, А·г: | 190 |
| Номінальна потужність, кВт: | 8,2 |
| Напрямок обертання: | праве |
| Маса стартера, кг: | 25,8 |
| Споживаний струм тягового реле | |
| втягує обмотки, А: | 26 |
| утримуючої обмотки, А: | 12,5 |
| Шестерня приводу | |
| Кількість зубів: | 11 |
| Модуль, мм: | 4,25 |
| Кут вихідного контуру, град: | 20 |
Використана інформація: ВАТ «БАТЕ»
Статті про товар
Стартери БАТЕ. Технічні характеристики, фотографії
Стартери Борисівського заводу автотракторного електрообладнання користуються популярністю не лише на території Білорусі, але і всього СНД, а також у ряді країн далекого зарубіжжя. Далі ви можете ознайомитися з асортиментом стартерів БАТЕ, а також з технічними характеристиками і списком використаних комплектуючих. Всі статті
| Основні | |
|---|---|
| Виробник | БАТЕ |
| Країна виробник | Білорусь |
- Ціна: 4 798 ₴
